Hi,欢迎来到田格科技。请
登录
免费
注册
非标产品
收藏夹
我的订单
我的订单
我的报价
个人中心
中心首页
资料管理
地址管理
发票管理
联系客服
网站操作指南
快速报价
(
0
)
购物车
五一放假通知
产品分类
独立导柱组件
独立导柱组件
独立-导座
独立导柱-其它附件
独立-导柱导套
模架用导柱导套组件
模架用导柱导套组件
模架用-外导柱
模架用-外导套
珠套
模架用-其它附件
多边形导柱组件
卸料板导柱套柱
卸料板-导柱
卸料板-导套
卸料板-其它附件
卸料板-导柱导套组件
销钉
矩形弹簧
塑胶模具部品
塑胶模具-导柱
塑胶模具-导套
顶针
锥度精定位销组件
精密型系列
快速接头系列
塑胶模具-浇口套
塑胶模具-斜杆系列
夹具衬套
夹具衬套-腰型孔
夹具衬套-法兰型
夹具衬套-薄壁型
夹具衬套-标准型
定位销衬套-直柱型
定位销衬套-法兰型
定位销衬套-薄壁型
汽车模具部品
汽车模具-组件
汽车模具-配件
汽车模具-导柱
汽车模具-导套
汽车模具-珠套
整套模架
整套模架
模架配件
OXA系列模具结构
矩形+氮气弹簧系列
氮气弹簧
延时氮气弹簧
TPSL/TPSLR系列
TPM / TPMS 系列
固定法兰
配件-压力表附件
斜楔
抖动器
导向零件
冲头
冲头底座
机械手系列
夹钳系列
安装件
连接锁扣
UG系列旋转器
连接杆
连接器
标准铝型材
标准铝型材
超小型斜契
微型斜楔
弯折器 ROLL
导正销
传输器
固定座
传送带
行程限位块
螺纹成型器
模组/直线电机/DD马达
防锈油 / 清洗剂
低维修滑动零件
冲压模具配件
汽车模具配件
TECAPRES氮气弹簧
美国MOELLER
newstark斜楔
首页
商城
田格 商城
登录
3D图纸下载
产品配置图
创新产品
支持
竞争力
制造能力
技术能力
人工智能
自动化存储系统
公司
企业介绍
发展历程
企业文化
哲学
能源效率与环境保护
质量
DIN EN ISO 9001认证
技术信息
下载
网站操作指南
软件
材质信息
产品目录
联系
联系方式
投诉反馈
JIANGDUN
商店
竞争力
公司
质量
下载
联系
登录
|
快速报价
主页
>
商城
>
>
独立-导座
(0)
章节中的其他部分
冲压模具部品
塑胶模具部品
FA-衬套夹具部品
汽车模具部品
模架模具部品
章节中的其他部分
选择您的产品后,您将在这里找到本章的其他部分。
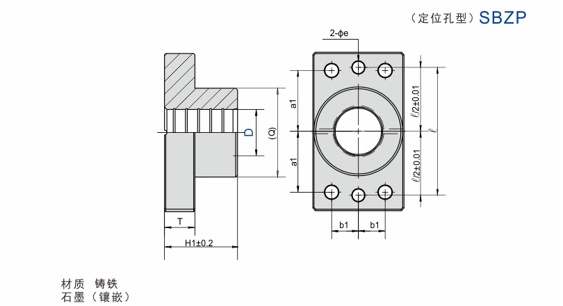
SBZP
产品参数选购 SBZP
收藏
购物车
3D
请选择
20
25
32
38
50
60
80
D直径
20
25
32
38
50
60
80
关于我们
数据保护
导航
一般条款
出版商
合作伙伴
亮点
广州外导柱组件定制
模具用独立导柱
塑胶模具配件定制
自动化零件定制
电动滑台行程定制
高速精密滚珠导柱组件
快速链接
田格商城
创新产品
联系
留言
退货指引
投诉反馈
您有任何问题吗?
Tel:
13527668694
Mail:
tiange@jiangdun.co
常问问题
订阅通讯刊
关注我们
© 2021 广州市田格科技有限公司 版权所有.
粤ICP备19089184号
购物车
QQ客服
客服微信
13527668694 咨询电话
tiange@jiangdun.co
首页
商城
购物车
我的
(到)购物车
前模板 1316-H1-17-1730
取消
关闭
SBZP